Novinky

Zverejnené: 13.03.2018

Prepracovaný modul pre newslatter

Zverejnené: 13.03.2018

Modul ponuky

Zverejnené: 13.03.2018

Čisté URL adresy

Zverejnené: 27.08.2017

Porovnávač produktov
SlovenskýČeskýPoľsky

0 ks 0.00 €


481.21 € s DPH

Dostupnosť: 10 dní

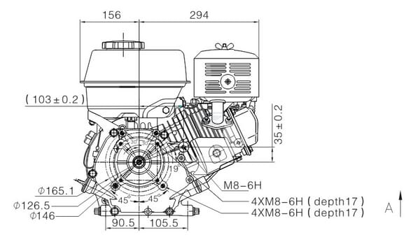
Motor Loncin G390FA horizontální hřídel 25 x 60 OHV 4-takt 389cc 11 HP ruční startér kompletní - čtyřdobý spalovací motor. Univerzální benzínový motor Loncin G390FA je výkonný jednoválcový čtyřtaktní motor s objemem 389 cm3 a výkonem až 11 – 11,5 HP, navržený pro použití v náročnější technice. Díky silnému točivému momentu a robustní konstrukci je výbornou volbou pro malé traktory, motobloky, čerpadla, generátory i stavební stroje. Vhodný též pro aplikace vyžadující dlouhý provoz — díky palivové nádrži 6,5 l a mazací náplni 1,1 l.

Hlavní vlastnosti

  • Výkonný motor s výkonem cca 11 HP
  • Úsporný 4-takt OHV – nízká spotřeba, snadná údržba
  • Spolehlivé vzduchové chlazení
  • Kvalitní materiály a dlouhá životnost
  • Komfortní a rychlé ruční startování
  • Ideální pro hobby i poloprofesionální použití

Technické parametry

  • Série/model: G390FA
  • Typ motoru: OHV, 1 válec 4-takt, vzduchem chlazený
  • Zdvih (cm3): 196
  • Délka klikové hřídele (mm): 60
  • Kliková hřídel-průměr (mm): 25
  • Typ klikové hřídele: cylindrický
  • Čistý točivý moment max. (Nm / ot/min): 25,1 / 2500
  • Volnoběžné otáčky (ot/min.): 1850 ± 150
  • Vrtání x zdvih (mm): 88 x 64
  • Komprese: 8,1 : 1
  • Startér: Reverzní startér (ruční startér)
  • Zapalování: Elektronické zapalování
  • Mazací systém: Odstředivé mazání
  • Kapacita oleje motoru (l): 1,1
  • Objem nádrže (l): 6,5 l
  • Rozměry (mm): 405 x 450 x 443
  • Hmotnost (prázdný motor) (kg): 31
  • Rozměry DxŠxV (mm): 405 x 450 x 443
  • Počet otáček max. (O/min): -
  • Točivý moment: cca 12,4 Nm při 2500 ot./min.
  • Výkon (PS): 11
  • Motorová brzda: ano
  • Vybavení: Jednotka varování oleje, automatický sytič
  • Výkon (kW): 8,1
  • Kliková hřídel-uspořádání: horizontální
  • Těžký setrvačník: ano
  • Tlumič výfuku: ano
  • Počet válců: 1

Vhodné použití

  • Motor Loncin G390FA se skvěle hodí pro:
  • malé zahradní traktory a ridery
  • stavební techniku (motoplopata a motobloky, čerpadla, agregáty, generátory, vibrační desky)
  • komunální stroje, zahradní technika s vyšší zátěží

Hmotnosť 31 kg


Otázka na predajcu

 

Loading